熔盐电加热器
一、主要技术参数及要求
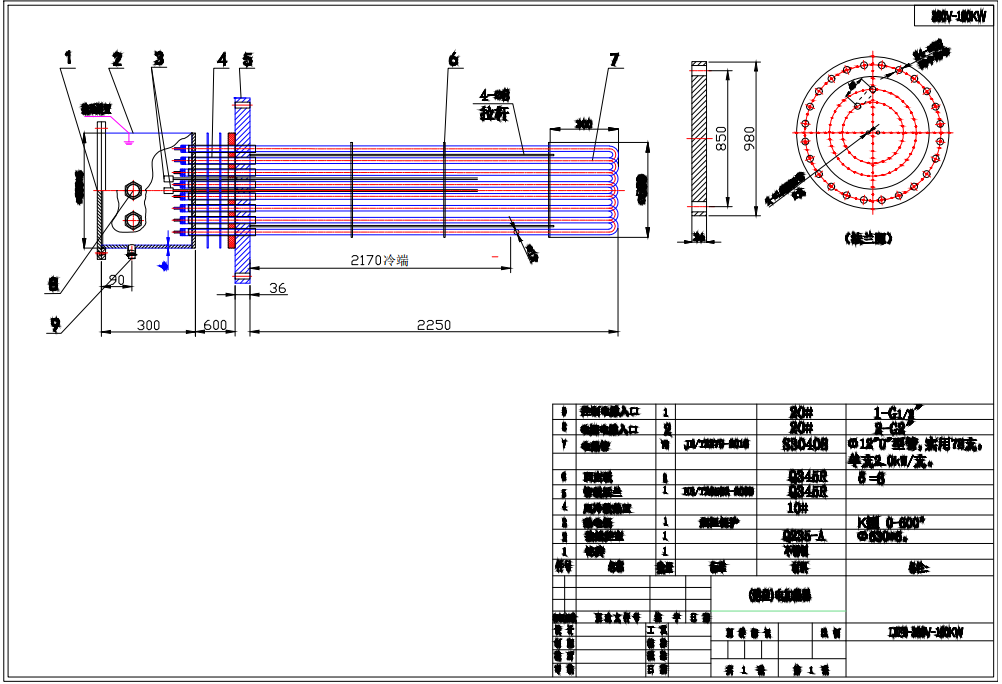
1、电源控制柜总功率为 160kW,控制2台加热器,每台功率:80kW。
2、电加热器
(1)额定总功率:160kW,单台功率:80kW
(2)额定电压:380V/50HZ,三相四线,“△”型接法
(3)设计压力:1.2MPa
(4)工作压力:1.0MPa
(5)设计温度:430°C ,温度最高650℃,防护等级IP66,冷冻设计:非加热区长度≥100mm(温度≤60℃),引线端密封,高温硅胶,压缩石棉复合密封
(6)工作温度:给熔盐槽 40m3/常温加热到 380°C 在静止状态下(需要 40 个小时)
(7)被加热介质:熔盐
(8)电热管与法兰连接方式:氩弧焊焊接;水压试验:1.6MPa/2h 无渗漏。
(9)电热管内压测试,耐压测试达到 2000V/min
(10)绝缘电阻:热态大于 50MΩ,冷态大于 500 MΩ。
(11)表面处理:接线腔法兰喷高温漆
(12)电加热管材质:304 外径φ12,壁厚大于 1.5mm
(13)每台电加热器配置测温点一处,装 K 型热电偶一支,接线端子在加热器接线盒内。
(14)电加热管散热区采用自然冷却(详见图纸)。
(15)设计寿命:10 年
(16)数量:熔盐炉电加热器3 台 、电源控制柜1台。
(17)尺寸:见附图,电加热器上的折流板,卖方参照买方的数据进行详细设计。
二、电仪部分配置说明:
1、通用说明:
(1)加热器及其接线盒满足,IP65、WF2户内式,所有电源接线盒正常操作温度不高于60℃。热电偶安装在加热管最热处以准确测量加热管的温度,接线盒内部空间要便于接线、检查和维护,电缆口要防水、防尘措施。
(2)电加热器接线盒耐热性材料必须能长期承受电加热器工作产生的热量,端子之间以及端子与接地的金属外壳或相邻导电部件之间,必须满足标准规定的最小电气间隙和爬电距离的要求。
(3)接线端子及其接线柱固定结构必须具有足够的机械强度,能够承受导线连接、频繁拆卸以及使用过程中可能遇到的振动、冲击,而不会发生松动、变形、损坏等现象。
(4)电气绝缘性:绝缘部件(端子台、衬垫、隔板)必须具有优异的电绝缘性和长期稳定性。
(5)电加热器接线盒内需引出2米长耐高温电缆作为引线,引接至接线盒外,引线端应提前压接好接线鼻,到货后应能直接与现场电源端电缆连接,接线盒内做好防高温措施和防护措施。
(6)单台电加热器引线应具备带载能力100kW,比原80kW等级高一等级。
(7)电加热器应有安全可靠的静电接地措施,并配置内、外专用接地螺栓,并均有明显的接地标志。
三、控制柜技术说明:
(1)控制柜安装方式采用落地式安装方式,控制柜采用强制通风式结构(冷空气从柜门下方排风扇吸入,热空气从柜顶上方排风扇排出,带滤网,可拆卸)。
(2)控制柜进线方式为下进下出。
(3)柜体底座采用镀锌板,厚度≥2.0mm;柜体框架采用镀锌板,厚度≥2.0mm;隔板、内侧板采用镀锌板,厚度≥2.0mm;面板、外侧板采用优质冷轧钢板,厚度≥2.0mm,静电喷涂,同时不因由于成套设备的吊装、运输等情况产生变形。
(4)控制柜铭牌及标牌文字应美观、醒目、清晰。
(5)控制柜内主母排和分支母排采用铜母排,不允许使用电缆连接,铜母排规格符合规范要求,母排禁止裸露,需采用热缩管进行热缩。
【江苏扬天电热设备有限公司】——信息化 数字化 智能化——義飞扬天——防爆电加热器专业制造商——为新时代中国制造加油助力——全国尊贵热线:400-777-5525
四、电气柜主要包含:
(1)断路器
(2)可控硅
(3)控制回路断路器
(4)交流接触器
(5)按钮和指示灯
(6)多功能表(电流、电压表等)
(7)冷却风扇
(8)支路熔断器
(9)控制柜温度开关
(10)配电柜下方预留250mm高,电缆敷设区。
五、电气参数:
(1)工作电压:380V±5%AC;
(2)工作频率:50Hz ±2%;
(3)环境温度:-20°C~+40°C;
(4)控制电压:220V±5%AC;
(5)负载配置:三相三角型;
(6)控制模式:可控硅控制;
(7)电缆进线方式:380V加热器控制柜为电缆下进线、下出线;
(8)其它:TN-C-S系统,铜主母排(加热缩套管),独立的接地铜母排。
八、控制系统说明:
1、该加热器由可控硅控制,出口温度可以稳定在设定范围之内,控温精度为±3℃。
2、控制柜内应设置以下保护功能。
(1)总开关短路保护、过载保护;
(2)漏电保护;
(3)分支回路短路保护;
(4)可控硅过热保护。
3、控制系统将自保持住回路漏电继电器跳闸状态,待回路故障排除,跳闸回路自保持状态取消后,加热器才可重新启动该分支回路。
4、控制柜应有如下指示:
(1)电源指示
(2)多功能表
(3)加热器运行指示
(4)加热器停止指示
(5)可控硅超温报警指示
(6)综合故障(可控硅故障、柜内温度、漏电等)
(7)接地漏电
注:所有故障需自保持并显示功能
5、控制柜有如下控制功能:
(1)加热器启动
(2)加热器停止
(3)就地/远程转换
(4)跳闸复位
(5)接地复位
注:最终的控制方式以图纸已买方、卖方协商结果为准。

