goods-
新闻资讯
当前位置是:首页 > 新闻资讯
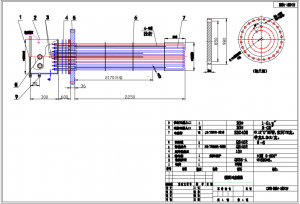
丁烯单元加热器
丁烯单元加热器
丁烯单元加热器 1.标准和规范   本询价书仅列出主要和常用的标准规范,其他如材料标准、标准化零配件标准、试验和检验标准等已在下述标准中有所引用,本文不再逐项列出。所有涉及到的标准规范应优先采用合同签订时的最新版本。配套的静设备执行相关标准国标(GB)。配套的电动机及电气设备应符合相应的国家标准和电气专业的工程技术规定。配套仪表及控制系统应符合相应的国家标准和仪表专业的工程技术规定。配套的各类阀门、管道、管件等应采用与项目一致的配管设计标准。  GB/T34663-2017 爆炸性气体环境用电阻加热器通用技术要求  GB3836.1-2010 爆炸性环境 第 1 部分:设备 通用要求  GB/T150.1 压力容器 第 1 部分:通用要求  GB 18613-2020 电动机能效限定值及能效等级  GB30254-2013 高压三相笼型异步电动机能效限定值及能效等级  HG20615-2009 WN RF 法兰标准【江苏扬天电热设备有限公司】——信息化 数字化 智能化——義飞扬天——防爆电加热器专业制造商——为新时代中国制造加油助力——全国尊贵热线:400-777-5525 三、电控部分 2. 技术要求  2.1 一般要求 2.1.1 本询价书加热器(电加热)为气体加热器,即电加热元件发热表面完全湮没于被加热气体介质中且配有核实温度保护措施的电阻加热器。 2.1.2 加热器(电加热)的外壳应设计为可阻止火花或其他热颗粒排出的结构。 2.1.3 加热器(电加热)的绝缘层应具有良好的电绝缘性能、热传导性能和耐热性能,且应确保发热体不能与爆炸性气体接触。 2.1.4 加热器(电加热)的护套及引出端子之间应采用合适的绝缘材料进行密封。应保证潮气不会进入绝缘层导致电阻加热器绝缘性能降低至可接受的水平以下。 2.1.5 保护系统应能直接或间接地切断电阻加热器电源,它应是人工更换或当其回到正常工作状态后由人工复位使电阻加热器重新通电的形式,保护系统被连续监控时除外。如果传感器出现故障,加热器应在达到极限温度之前断电。 2.1.6 保护系统应尽量借助工具重新调试或更换。限温装置重新设置或热断路装置更换时,应不影响其他连接件或内部布线。注:温度保护元件只能用制造商规定的部件更换,保护系统应单独设置并能在异常条件下运行。 2.1.7 保护装置的调节器应能锁定并加封,并且运行时不应变动。用于降低加热器外壳外表面过热危险的热断路装置,不应受到老化的严重影响。 2.1.8 加热元件导线的拉伸或类似移动,不应造成加热器性能的任何改变。 2.1.9 关于保护系统的功能安全,应符合 GB/T 14536.10、GB/T 22687、GB/T 22688 的规定。 2.1.10 隔爆型电阻加热器的设计要求应符合 GB 3836.2 一 2010 第 5 章~第 13 章的相应要求。这些要求包括:隔爆接合面;粘接接合面;操纵杆;转轴和轴承的补充要求;透明件;构成隔爆外壳一部分的呼吸装置和排液装置;紧固件、相关的孔和封堵件;外壳材料和机械强度一外壳内的材料;隔爆外壳的引入装置。 2.1.11 加热器(电加热)的加热元件外壳厚度不应小于 GB/T34663-2017中 4.4.4外壳厚度中表 1 的要求。 2.1.12 加热器(电加热)的辅助导热层上的机加工接合面或螺纹接合面,与电阻加热元件外壳重叠部分的厚度至少应为 GB/T34663-2017 中 4.4.4 外壳厚度中表 1 规定的厚度。 2.1.13 加热器(电加热)的额定功率允许偏差不应超过±5%。 2.1.14 电阻加热器的温度保护装置应可靠动作以避免电阻加热器达到极限温度。 2.1.15 加热器(电加热)的设计使用寿命至少 20 年,稳定运行时间至少 4 年。 2.1.16 加热器(电加热)应能在指定的极端环境(环境温度、湿度、腐蚀等)下连续运转。 2.1.17 加热器(电加热)安装位置的防爆区域等级为 2 区,IIBT4,配套的电动机、仪表等应满足爆炸危险区的要求。 2.1.18 主机及所有辅助系统整体撬装供货。 2.2 所有与买方的接口均要求为法兰连接,法兰标准为 HG20615-2009 WN RF,配对法兰、垫片及紧固件由卖方提供,法兰压力等级不低于买方的要求。 2.3 加热器(电加热)安全设施(包括但不限于安全阀、超温连锁等)有卖方成套提供。 2.4 加热器(电加热)外壳、控制柜外壳应可靠接地。 2.5 电加热元件接入电线端设置与外界环境隔离设施。 2.6 仪表相关要求 2.6.1 仪表选型原则见《22208D-00000-15-118-00001 自控专业设计统一规定》要求。 2.6.2 仪表防爆要求  所有安装在爆炸危险性环境中的电子仪表应具有适用于危险区域划分的防爆认证。国内生产的仪表应具有国家权威机构颁发的 Ex 防爆认证(例如NAPSI)。本项目中爆炸危险区内的模拟信号电子仪表应优先选用本安型(至少满足ExiaIICT4)。只有本安型仪表无法提供时(例如:分析器、气体检测仪表等),可以选择隔爆型(Exd)。 2.6.3 仪表防护要求  所有现场仪表,室外安装的仪表盘及其附件都应该是全天候的(如防水、防尘),抗腐蚀的,并且适合安装在本装置现场环境。仪表设备应能在外界环境条件下操作并不会减少仪表的使用寿命。 现场安装的电子式仪表,防护等级选用满足 GB/T 4208 或 IEC 60529 标准规定的 IP66 防护等级。仪表接线箱应符合以下要求:最低防爆形式增安型(Ex e),防护等级 IP66,316 SS 材质。现场接线箱(盘) 到现场仪表之间的信号配线应选用阻燃型钢丝铠装软电缆, 截面积为 1.0~2.5mm2。 分支电缆采用电缆槽盒、 托盘敷设。仪表接线箱应符合以下要求: 最低防爆形式增安型(Ex e) , 防护等级IP66, 316SS 材质。电缆密封接头, 防爆形式 Ex de,黄铜镀镍或 316SS 材质。露天安装的所有仪表接线箱、 就地控制箱(盘) 的电缆进线应设计为下进线方式,并配电缆密封接头。 端子采用弹簧压紧端子,备用 20%。 2.6.4 仪表信号要求  所有电子仪表的模拟量信号应为:4-20mA 叠加 HART⑦ 协议,二线制,24VDC 回路供电。二线制仪表无法获得时,带外供电的四线制变送器允许选用。所有变送器支持 HART7 及以上协议,提供产品注册证书、一致性测试报告及 DD 文件。 2.6.5 仪表编号要求厂商应根据设计指定的编号号段,负责成套范围内仪表位号的分配和编制,并体现在 P&ID 上。 2.6.6 设计及供货分工  买卖双方以现场的仪表接线盒(接线箱)为分工界限,卖方负责电加热器用现场仪表、接线盒(接线箱)的设计、选型及供货,买方负责接线盒(接线箱)到 DCS 的电缆敷设及设计。接线箱与电加热器供货范围内的现场仪表之间的电缆、穿线管、槽板、中间接线盒等由卖方成套供货、安装并在卖方工厂调试完成。卖方提供所有仪表接线盒(接线箱)的进/出线密封接头或防爆格兰头。 2.6.7 必须有充分的抗电磁干扰能力,并按照 GBT17626.2、GBT17626.3、GBT17626.4、GBT17626.5、GBT17626.8 标准进行电磁兼容性测试,在干扰强度为 3 级条件下的抗干扰能力达到 B 级及以上,并提供相关证明。 2.6.8 卖方给出所需要的指示、报警及联锁停车信号等。 2.6.9 所有的变送器及附件满足低温-40 摄氏度的正常工作要求。 2.6.10 温度测量仪表原则上优先选用一体式温度变送器。 对于环境温度高于60℃、 测量介质温度较高或者有较强震动场合, 温度变送器可以考虑分体式。一体式或分体式温变均带就地 LCD 指示;除特殊情况外, 所有温度元件应有保护套管, 型式为锥形整体钻孔式,材质不低于 316SS,同时不得低于管道或设备材质 ,过程连接采用法兰连接;对于进入 DCS、 SIS、 CCS 等系统的温度信号, 一般采用现场型智能温度变送器。 2.6.11 仪表接地设计应符合《石油化工仪表接地设计规范》 SH/T 3081-2019 的要求。 2.6.12 除仪表铭牌外,卖方应提供满足“吉林石化公司仪表系统目视化标识图解”可悬挂不锈钢位号牌; 2.7 电气系统 2.7.1 电气设备和材料必须满足所在区域的环境特性要求。  防护等级和防爆等级不低于如下所示:  防护等级:IP55;  电机防爆等级:ExdIIBT4;  温升:B;  绝缘:F;  防腐等级:WF2。  供电系统如下所示:  电压等级 6kV±7%,频率 50±0.2(0.5)Hz;380V±7%,频率 50±0.2(0.5)Hz 用电设备额定电压选择如下所示: 2.7.2 所有用电设备以接线盒为分工界面,电缆引入处或接线盒均需配置螺纹接口,外带公制螺纹的电缆格兰头(适用于非铠装电缆),材质要求铜镀镍,其格兰头的口径、螺纹型式、螺纹规格等必须提供给买方进行确认。 2.7.3 静电接地及保护相关要求  供货范围内撬块的防雷、防静电及保护接地由卖方负责,至少提供两处接地点(端子板);买方完成界区外接地设计。卖方图纸中应清楚地标明所有的接地端子。所有金属结构均应提供接地点。所有需防静电的金属框架和管道均应做接地。法兰的连接点应有可见的跨接线,静电跨接线不小于 6mm2。 2.7.4 爆炸危险区域划分  卖方提供供货范围内若存在新增的爆炸危险介质,须将明细及释放源位置给买方,卖方所供工艺、电气及仪表等设备应符合相应设备防爆等级。防爆火灾危险区电缆(动力、控制)采用交联聚乙烯绝缘、铜芯、A 级阻燃电缆。 2.7.5 电缆和导管引人装置装配到电加热器上时,它们的结构和固定不应损害电阻加热器的防爆特性。 2.7.6 电缆和导管引人装置可以作为电加热器整体的一部分,即构成电加热器外壳的一个不可分离的部分。在这种情况下,引人装置应与电阻加热器一起进行检验。 2.7.7 控制柜颜色 RA7035,柜内主要电气元件采用 ABB、西门子、伊顿产品。
2026-02-09
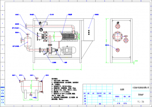
防爆风道电加热器
防爆风道电加热器 一、技术说明 1.1  防爆电加热器(加热器Ⅱ类防爆证)电加热器:总功率为:15kw(5kw×3),单台电加热器电热元件由40支¢12mm304不锈钢U型管式电加热元件组成,其中另配4支备用。单支功率为0.417kw/支,380V。“Δ”型接法,分3组,5kw/组。加热管与管板之间焊接紧密。加热管相互间,管内连接导体相互间以及它们与金属管的间距合理、防止短路;管外引出棒与加热丝之间采用碰焊连接并按GB3836.3-2021表1和表3规定最小电气间隙和最小爬电距离。 1.2电加热元件电加热元件严格按照JB/T2379-1993之规定设计、制造与检验。本设备加热元件为金属管状电热元件,元件金属外壳优质不锈钢0Cr18Ni9,电热管缩管后单边壁厚不小于1.0mm,其外表面经高温氮化处理,耐温可达800℃。加热元件表面功率:表面功率的大小直接影响电加热管的使用寿命,是电加热管的重要技术参数。我公司选用发热元件平均发热负荷(即功率密度):2.5w/cm2<3w/cm2<6 w/cm2 (国家允许表面负荷)。 1.3防爆接线盒防爆接线盒上设有电缆引入装置,加热器在出厂前接线盒内部均接线完毕,并留有电缆接线端,设备到达现场后,用户直接引入电缆即可,安装简单、方便。电缆引入装置采用密封式,电缆布线。接线箱内连接导体采用铜排连接。 1.4机组箱体结构   机体采用框架式箱体结构,拆卸方便。外皮采用耐高温Q235制作。箱体要求具备足够的强度,保证在承受±2000Pa时安全运行,外壳不变形。 1.5、防爆风机(电机、风机Ⅱ类防爆证)   风机为低噪声轴流风机,风机应具备24小时/天连续安全运行功能,风量、风压满足工况设计要求。风机叶轮必须做动、静平衡试验。   风机设备的震动和噪声应符合有关规定。 (1)风机特性曲线应符合说明书及国标GB1236-2000的要求:         在保证点的风量+5%.         在保证点的风压+5%.         在保证点的效率+5%. (2)风机叶轮动平衡应符合国标JB/T6445-92<<通风机转子平衡>>的规定. (3)风机的刚性要满足有关规范的要求,以使风机各个部件不产生振动. (4)风机的噪声应符合<<通风机噪声限值>>的规定.. (5)风机的振动应符合风机行业标准,并达到良好以上水平. (6)设备的加工精度及焊接质量应符合风机行业标准.     1、负载风道加热器分为多路电源供电。工作电压AC380V  50Hz  三相线。    2、控制方式:接线盒内设有启停健以及Ⅰ、Ⅱ、Ⅲ档健(含0.37kw风机控制)。    3、温度控制点分为出气口1个,加热芯中心温度1个,共2个温度控制点。出口温度作观察用,电热管温度作超温保护温度连锁保护控制。    4、风机联锁保护:加热器与风机联锁控制,必须先启动风机后才能启动电加热器,当风机停止运行,加热器自动切断电源。【江苏扬天电热设备有限公司】——信息化 数字化 智能化——義飞扬天——防爆电加热器专业制造商——为新时代中国制造加油助力——全国尊贵热线:400-777-5525  二、电气控制性能:    加热器采用可调温控开关,具有超温自动断电 控制温度稳定。出口温度进行监控,从而保证总井筒温度控制在工艺要求值。  三、防爆风道加热器技术特点    1、该加热器具有升温速率快、设定温度稳定可靠,保温性能良好,壳体温度控制在45℃左右,热效率高达95%以上。    2、升温和降温速率快,可达10℃/S,调节过程快而稳定。不会出现所控介质温度超前和滞后现象而导致控制温度漂移不定,适合自动控制。     3、机械性能好:因为发热体为特制合金材料,所以在高压空气流的冲击下,它比任何发热体的机械性能和强度都好,这对于需要长时间连续不断对空气加温的系统和附件试验更具有优越性。     4、在不违规操作使用过程中,该设备寿命可长达十年,属经久耐用。     5、本设备具有体积小、操作简便,对加热介质洁净无污染。
2026-02-03
除尘电加热板
除尘电加热板一、技术要求 1.卖方提供的设备的设计、工艺、设备应是先进可靠、质量保证的技术,并符合安全和环境保护的条例。所采用的系统和设备应成熟。任何带有试制性的系统和设备应予以排除。卖方所供设备必须有优良的使用业绩。 2.卖方提供的所有设备应功能完整、技术先进,并能满足人身安全和劳动保护条件。 3.所有设备均应正确设计和制造,在所有正常工况下能满足安全和持续运行的要求,满足所有工况下的功能而不产生过度的应力、磨损、振动、腐蚀、老化和其他运行问题。 4.设备部件的制造过程应是高技术的,加工准确并有良好的光洁度、合适的公差配合。易于磨损、腐蚀或老化、或需要调整、检查及更换的部件应易于得到,并能比较方便地拆卸、更换和修理。 5.所用的材料符合有关规范的要求,并应是新的和优质的,使维修工作量最少。铸件和锻件应符合材料规范,无裂纹和有害的缺陷。机械部件及其组件或局部组件应有良好的互换性。 6.在设备制造过程中必须实施严格的质量管理,包括必要的处理、检验和试验。 7.每个零件内部应消除全部加工垃圾,如金属切屑、填充物等。应从内外表面消除所有疏松的轧屑、锈皮、油脂等。 8.电加热器的布置具体结构尺寸按买方提供的附图为依据进行布置,不能与设备的加强筋或其它附件相碰。 9.卖方保证满足买方提出的性能设计参数,保证在工作容量范围内,能长期安全稳定运行。外露的部件均应设置防护罩,测量元件应便于拆卸、检修。 10.加热器应尽可能地保证锥(灰)斗加热均匀,与设备的贴合度尽可能的高。二、基本要求 1.选择能在本工程环境下长期安全、可靠、平稳运行的优质产品。 2.设备的制造加工符合国家相关标准及行业标准、企业标准; 3.设备性能满足设计及使用要求,设备应配带温控装置。 4.产品结构设计紧凑、简单,检修维护方便,并有良好的密封; 5.在额定工作电压下,加热器额定功率允许偏差为10%; 6.电加热系统进线电源为三相五线制,电压AC380V; 7.加热元件的安装设置留有一定的安装余量,且具有在一定温度范围内保持恒温的功能; 8.加热器的本体及支座设计应能满足当地地震烈度所必须的强度要求,并保证结构上的完整性。卖方应提供设备安装、运行和常规维护的专用工具。 9.加热器应有良好的可控性能,合理的运用操作方式及就地启停、调试和正常及事故情况下必需的检测、控制调节及保护等措施,并可实现远方操作方式、检测、控制调节及保护等以确保设备的安全经济运行。【江苏扬天电热设备有限公司】——信息化 数字化 智能化——防爆电加热器专业制造商——为新时代中国制造加油助力——全国尊贵热线:400-777-5525 三、电控部分 供货范围:买方仅提供2路交流电源380/220V电源至卖方配电柜/箱,其分界点在卖方设备的进线端子处,其他电源由卖方自行分配解决。卖方配电柜/箱内进线开关需设置漏电保护。电缆设计供货分界点:卖方供货设备间的连接电缆由卖方设计并供货,包括耐高温导线,足量考虑,不足免费补齐,不引起商务变更,最终满足现场要求。进线电缆、至DCS的电缆由买方统一设计并供货。买方供货设备连接至卖方设备的连接电缆为买方设计供货。 1.仪控要求及接口灰斗加热器设有恒温控制功能,箱内温控器带4~20mA温度远方信号输出,采用硬接线方式,设就地及远方操作功能,电加热远方信号接口用于实现全自动运行,供方的就地控制箱应预留到DCS的接线端子,方便接线。 2.卖方箱柜原理图设计要求   1)所有指示灯和按钮:合闸(接通)位置信号灯为红色,按钮为绿色;跳闸跳开位置信号灯为绿色,按钮为红色;从正面看绿灯在左,红灯在右;电源指示灯为白色。报警指示灯为黄色。   2)表计、控制、信号和保护回路的连接导线为铜芯绝缘导线,最小截面不小于1.5mm2,电流互感器二次绕组至端子排的铜导线最小截面不小2.5mm2。电流回路安装试验型端子。导线的绝缘按工作电压不低于500V选择。   3)卖方箱柜内参与远程控制的启动、停止信号分别独立控制,即常开双电控DO指令,接受来自控制系统的远传脉冲信号,不采用单点控制。反馈远传信号采用常开或常闭无源干接点,接点容量为220VAC 3A。反馈信号点一般至少包括远方信号、故障信号、运行信号3个信号,所有参与远方控制的点卖方需要引至出线端子上,方便接线。就地柜、箱、盒内应附有设备控制原理接线图。   4)卖方柜/箱内对外引接电缆均通过端子排,出线端子用压接式连接鼻子并需配号码管,方便接线与检修。接线正确、固定牢靠、排列整齐、横平竖直;回路编号清晰、齐全、采用标准线路编号;每个端子接线不超过2根。接线端子每排备有不少于15%的备用量。 3.就地控制柜(箱)电气主要元器件(塑壳、空开、接触器、热继等)要求上海良信电器、常熟开关、三菱电器、上海人民品牌的产品 。
2026-02-01
烘箱
烘箱1.技术要求:   电源电压:AC380V 50Hz   温控范围:RT+10~200℃   温度波动度:±1℃   极限真空度:133Pa   工作环境温度:5~40℃   真空表:进口真空表/机械指针式   内胆尺寸:630*810*845(W*D*H)(mm),尺寸不低于该尺寸,可以大于该尺寸。   外形尺寸:1000*1040*1855(W*D*H)(mm),尺寸不低于该尺寸,可以大于该尺寸,但高度不得高于2000mm。   搁板:5块,材料为不锈钢304   工作室材料:不锈钢304。2.质量要求  2.1供应商提供的所有烘箱相关设备、配套设施是全新非样品产品,保证设备未经使用。  2.2供应商提供的所有设备、配套设施没有安全隐患并符合国家相关标准要求,设备符合规定的技术性能指标。【江苏扬天电热设备有限公司】——信息化 数字化 智能化——義飞扬天——防爆电加热器专业制造商——为新时代中国制造加油助力——全国尊贵热线:400-777-5525 3.供应商要求  3.1从事干燥箱等相关行业3年以上,提供相关证明文件。  3.2供应商必须上传营业执照复印件;报价人如为代理商,可提供制造商出具的授权证明。  3.3明确付款方式及付款比例。一般情况下为合同签订后付30%,验收合格后付60%,质保期满后付10%,特殊情况双方商定。  3.4明确交货时间,将设备交付到采购方指定地点。  3.5设备报价单必须明确是否含税,加盖电子签章且有具体明细。  3.6明确价格有效期。  3.7提供近三年的业绩(类似业绩的合同复印件加盖报价人公司章)及提供近三年的业绩财务报表(资产负债表、利润表和现金流量表)。  3.8提供售后服务情况,包括售后响应时间。  3.9提供基本账户开具的银行有效资信证明材料。  3.10提供质量管理体系认证证书,质保措施和培训计划。  3.11定制类非标设备应提供加盖用户公章的用户反馈证明,复印件需加盖报价人单位公章。
2026-01-29
防爆导热油炉
防爆导热油炉一、设备使用条件  工艺条件(如压力、温度、物料特性)、工作环境、公用工程条件。环境温度:-10—45℃;环境湿度:≤ 90%;三相五线制,整机功率约41.5KW;使用温度:≤300℃。按需方要求提供:设备出力参数(如泵的杨程、流量)、结构,使用《设备数据表》二、设备主要技术参数:  1.防爆等级:dⅡBT4;  2.电源电压:380/50;  3.电加热有机热载体锅炉外形:1900x600x1400;  4.电控柜尺寸:800×800×2200(两面开门,双侧布置元件),标准GGD柜,预留柜外连接;  5.电加热有机热载体锅炉额定加热功率:36KW,整机功率:41.5KW;  6.离心式热油泵:RY50-32-200,流量:18m3/h,扬程:40m,电机功率5.5KW(1台);电机为三级能效(执行标准GB18613-2020);  7.防护等级:dⅡBT4;  8.进出油口法兰:dn50;  9.筒体采用国标φ219无缝钢管,材质Q235B,壁厚6mm,加热管采用T20碳钢(壁厚不小于2mm)。接管选用带颈平焊法兰、凸面。压力等级PN25,垫片材质为金属石墨缠绕垫。【江苏扬天电热设备有限公司】——信息化 数字化 智能化——義飞扬天——防爆电加热器专业制造商——为新时代中国制造加油助力——全国尊贵热线:400-777-5525三、制造标准  1.设计寿命:   10   年。  2.卖方相关的:包括材料、制造、检验、质量控制标准四、电气要求  加热总功率为41.5KW,油泵功率为5.5KW;五、控制及保护  温度调节仪表自动控温,超温控制仪表提供报警输出,系统欠压、系统超压、系统超温等报警和流量异常,任何报警情况下均不能启动加热;油泵不启动情况下,不能启动加热;温控表带485通信,与DCS通讯。采用PLC控制,油泵启动/停止,加热启动/停止均可现场和DCS控制;每台设备设置电能监控表一块(品牌广州东琦电能表),带485通信;电气与仪表分开,控制系统应用PLC控制,并入DCS控制室,PLC预留profibus-DP通讯,PLC为西门子s7-200smart,仪表通过485与DCS通讯。六、检验试验  双方协调:设备进行打压试验,确认无泄漏;电气进行模拟运行检验。
2026-01-26
熔盐电加热器
熔盐电加热器  该加热器主要由加热元件、温度传感器、折流板和其他必要的安装附件组成,均属投标方供货范围。1.总的要求(1)本技术规范书适用于火电机组调峰/调频/供汽的模块化熔盐储能装置开发与应用项目示范工程项目电加热器采购,包括电加热器的功能设计、结构、性能、检验和试验等方面的技术要求。(2)从签订合同之日至乙方开始制造之日期间内,甲方有权提出因规程、规范和标准发生变化而产生的一些补充修改要求,乙方应无条件遵守这些要求。(3)本技术规范书所使用的标准,如遇与乙方所执行的标准不一致时,按较高的标准执行。(4)乙方对熔盐电加热器(包括附件)负有全责,即包括分包(或采购)的产品。分包(或采购)的产品制造商应事先征得甲方的认可。(5) 本技术规范书经双方签字后,作为订货合同的附件,与合同正文具有同等法律效力(6) 乙方供货范围所有设备及附件均采用 KKS 编码。(7) 乙方应承诺合同签订后,及时配合甲方进行节能减排和设计优化相关工作,且不产生任何费用。(8)乙方所供电加热器的技术参数与性能必须满足甲方的要求,并对其正确性负责,实物与所提供的图纸相符。(9) 乙方应依照甲方提出的参数条件,设计满足要求的设备。电加热器的设计应该遵守设计工况的热平衡,并能在所有技术数据表中所列运行状况下(包括要求的最大运行条件)工作。(10) 电加热器的设计应该与本技术规范书提及的规范和标准的要求、本规范书的额外要求保持一致。(11) 电加热器需要在电厂完成相关检验和测试。(12) 电加热器承压部件的设计和建造应该符合 GB150 及 TSG21-2016《容规》的要求,电热管均须进行水压测试和无损检测。(13)应特别注意遵守 GB150 及 TSG21-2016《容规》中关于压力容器结构的有关条例。通过这些规范进行建造,包括但不限于设计、材料、制造、考核、检验、测试、认证、冲压和压力释放。(14) 电加热器及其容器采用立式布置,熔盐从下方进入,上方水平侧向流出。(15)加热丝的加热段和不加热段的分界点在上方熔盐流出管口下沿的延伸线。(16) 乙方需负责电加热器整体(包含壳体)的设计,电加热器壳体设计单位应具有类似设备的设计业绩,甲方将对设计单位的产品业绩进行审查和确认。乙方提供电加热器壳体的设计方案,电加热器壳体由甲方供货。(17)与电加热器连接的金属管道、接口规格应按国标以及本技术规范的要求严格的设计并经甲方确认。(18) 乙方应向甲方提供包括设计图样、制造及安装技术要求等设计文件。(19) 电加热器设计承受所有叠加静态荷载和动态荷载,以及风荷载、地震荷载、雪荷载。(20)乙方应对电加热器进行疲劳分析,并满足国标要求。(21)乙方应对电加热器所用材料进行高温蠕变影响分析,且分析方法应征得甲方同意。(22) 设备质量保证期内出现产品质量问题,乙方在接到甲方通知后 48 小时内到达现场免费修理或更换。2. 所有设备材料选择和锻件级别严格遵守工程图材料表中要求并按工程设计图纸要求进行检验(材料到厂复检)和验收,其化学成份,机械性能,尺寸厚度偏差,表面质量等要求应符合相应的标准规定,并应具有材料质量证明书。熔盐电加热器的整体设计、制造除应符合标准和国家有关的法规外,还应适用于本协议所提工艺要求,并能够长周期稳定运行(质保执行商务合同的要求)。 2.1 外部附件及与受压元件直接相焊的支撑件的材料应与受压元件材料一致,设备整体腐蚀裕量按 2mm/20 选取。 2.2 电加热管(1)电热管外壳材质不低于 S32168 无缝管,电热管外径不小于φ12.0mm,壁厚不低于 1.2mm。(2)发热电阻丝应按 GB1234 规定选用优质镍铬丝 Cr20Ni80,或更高性能材料。发热电阻丝采用上海宝钢、上海舒青等同等或更高优质品牌。(3)绝缘材料为高纯度结晶氧化镁粉纯度达到 99.5%以上或同等电气性能的绝缘材料,耐温能达 800℃以上,具有良好的绝缘性能和介电强度,绝缘材料乙方提供相应参数。绝缘材料采用大连达泰豪、丹东太华、上海振泰、松辽镁粉等同等或更高优质品牌。(4)正常运行发热效率:98%以上。(5)设备的电加热元件升温时间,应符合 JB/T2379-2016《金属管状物电热元件》的要求,并在出厂前进行试验。(6)设备的电加热元件应沿筒体的轴线方向均匀布置,在充分发热条件下,发热元件总的额定功率偏差范围为+4%,每组加热元件不允许负偏差。(7)设备的电加热元件的制造,应符合 JB/T2379-2016《金属管状物电热元件》的要求。(8)设备的电加热元件设备在出厂前,应参照 JB/T2379-2016《金属管状物电热元件》进行出厂试验和型式试验及规范要求其它试验。(9)设备工作模式为每天 2-10 小时间断满负荷运行,部分时间低负荷运行,要求电阻丝设计使用寿命应在 20 年以上,设备设计使用寿命 20 年,金属管设计使用寿命20年以上。(10)熔盐电加热器的金属管选用耐腐蚀的金属管,金属管表面瓦特密度数应介于2.0-2.5W/cm2,投标方根据招标方提供给的参数条件,提供相关计算书,保证电热管表面温度不超过 550℃,且金属管外表面无熔盐分解。发热电阻丝应按 GB1234 规定选用 Cr20Ni80 等高电阻电热合金丝,电加热元件表面最高温度不超过 550℃。(11)电加热器介质流速应控制在合理的范围内,受介质冲击的部位应装设不锈钢防冲击板或其它措施,以保护管束和其它内部零件。防冲击板、护罩设计应合理,不影响换热且牢固可靠。(12)乙方提供的设备必须满足甲方规范书中各种设备的各项性能参数要求,并对其正确性负责。实物与所提供的图纸相符。(13)乙方应负责整套设备的配套服务,包括备品备件供货、安装运行维护指导和性能保证。(14)所有电加热器应在任何以及所有非正常工况下均能正常运行。所有负荷下的性能应是平稳的,而且无过大的噪音、振动和变形。(15)乙方保证提供的所有电加热器壁厚能够满足设备安全运行的需要。(16)电加热器正式投产后可用率不低于 98%。乙方应在投标文件中提供本企业近年内生产的电加热器的可用率以及事故统计数据。(17)所有电加热器电热管和壳体的膨胀应协调一致,防止过大的热变形应力,乙方应详细说明电加热器膨胀处理方案。电加热器及其附属装置应能承受机组在各运行工况可能存在的同时作用的最严峻的受力组合。(18)乙方应在设备外形图中注明接口及基础的定位尺寸。电加热器的接口应有足够的刚度和强度。当设计院管道布置不能满足要求时,乙方与甲方共同协商解决。(19)乙方应该完成电加热器的安全审查,并描述减小人员风险的预防措施。安全审查应该评估在设备的运行寿命期间,由于故障、检查、维修等情况下可能增加的所有潜在危害(可能导致伤害的不安全行为或情况)的伤害风险(伤害的可能性和严重程度)。一旦风险不可接受,需要实施足够的危害控制措施使风险降低至可接受的范围。(20)设备上的所有警告标签应该清晰可见,并在图纸上注明。 2.3 不锈钢钢管的化学成份、机械性能、物理性能以及表面质量、轧制公差等应符合 GB/T14976-2002《流体输送用不锈钢无缝钢管》的有关要求。 2.4 熔盐电加热器内部电加热管连接采用镀银紫铜排,铜排连接方式应考虑温度变化引起的热应力。严禁采用电缆进行连接,加热器接线盒内部的温度(≤50℃)。 2.5焊接材料严格按设计图纸和有关标准规范要求执行,国产焊条订货还应满足JB/T4747 的要求。 2.6熔盐电加热器的加热部件能够整体抽出检修,由乙方提出加热器抽芯空间,甲方予以确认。 2.7接线箱最终接引端子和穿线孔满足4根3*70mm2交联聚乙烯电缆接入需求。热电偶接线采用单独的接线盒和接线端子,防止高压电干扰。加热管按功率平均分成2组,每组2根电缆并联。【江苏扬天电热设备有限公司】——信息化 数字化 智能化——義飞扬天——防爆电加热器专业制造商——为新时代中国制造加油助力——全国尊贵热线:400-777-5525 3. 材料及设备 3.1 材料代用  由于设计以外的原因造成的钢材代用,应事先向甲方提出书面申请,材料质量证明书,待甲方同意后方可代用。 3.2 材料要求制造单位应具有相应制造资质证书,保证提供高质量的设备,这些设备是成熟可靠、技术先进的产品。 3.2.1 主要受压元件材料设备制造所用的主要受压元件材料(板材、锻件、接管等)制造和检验等应遵循买方提供的装配图和本技术协议书相关条款的要求,必须满足以下要求:(1) 尺寸、外形和重量钢板尺寸和偏差应采用国际单位制(SI),尺寸单位以 mm 表示。钢板的尺寸、外形、重量按每台设备的技术要求中的规定。(2)卖方所使用的材料必须与买方所提供的图纸及技术文件完全一致。若卖方要求代材,必须提出代材的原因及书面报告,报买批准,并将代材的化学成份及机械性能提交买方,经买方的书面确认后方可代用。(3) 卖方应提供材料产地、炉批号、质量检验合格证书等有关文件。(4)主要受压元件材料质量证明文件及复验报告在投料加工前需提供给买方确认。 3.3焊材(1)焊接材料应符合下列标准:GB/T983、GB/T5117、GB/T5118、GB/T5293、GB/T12470、GB/T14957、JB/T4747、YB/T5092(2)焊接材料应有质量证明书。质量证明书应符合相应国家标准的规定和要求。 3.4螺栓、螺母(1)法兰的紧固件按 NB/T47020~47027-2012 中的规定。(2)管法兰的紧固件按 HG/T20634~20635-2009 中的规定。(3)外包厂家提供材料的质量证明文件,对于 M36 以上的主螺栓还应按相关标准规范提供材料的复验报告、合格证书。4.设备制造技术要求(1)设备的加工制造必须严格按照设备装配图图纸中的技术要求执行。(2) 设备开始制造前,卖方提交焊接工艺评定报告(符合 NB/T47014-2011)、检验及试验要求、检验及试验计划、制造、检验和试验工艺文件、热处理工艺等文件供买方审查。设备制造过程中的焊前预热、层间温度、层间表面裂纹检测、消氢处理、焊后热处理以及相应的 PT、UT、RT 及 MT 检验,由卖方自制工艺确定;所有焊接工艺规程均须按照审查后的焊接工艺评定进行。(3)铭牌座用于安装“产品铭牌”,其支架应高于保温层外 20mm,支架尺寸由卖方确定,铭牌材质为不锈钢,显示名称及相关参数。(4)焊缝检验要求按 NB/T47013-2015《承压设备无损检测》进行,设备的无损检测按最终详细设计图纸规定的要求执行。(5)不锈钢设备水压试验应控制水的氯离子含量不超过 25 毫克/升。水压试验合格后立即清除表面水渍。(6)设备组装和最终水压试验必须经买方现场监督检查和确认。5.其他相关内容(1) 应使用列入 GB150、JB4732 标准的材料,采用新材料或未列入 GB150、JB4732 标准的材料除应符合 TSGR0004 的规定外,还应经过甲方的批准才能使用。(2)不得采用铸件;(3)与受压元件相焊的临时连接件的材料应与母材金属相同或相近,并有相应的焊接工艺评定支持。(4)带肩管板应采用整体锻件,其锻件级别不得低于III级。(5)电加热器的材料和配件应该遵守相关国家标准,并遵守本规范书的要求。(6)所有用于制造所提供设备的材料、部件和组件应该是新的、新生产的、不存在影响性能的缺点。除非得到甲方或者其官方代表的书面授权,不允许使用有部分缺陷的材料。(7)所有材料应当由相关国家或者行业标准认定,并遵守相应的规范书。(8) 所用材料的可靠性应该具有材料测试报告证明或者承诺证书。(9)乙方应该负责在不同部件的建设中选择合适的材料。乙方应根据管材的要求,给出合适的推荐。(10) 应当采用适当措施以保证材料具有抗侵蚀和抗腐蚀性,乙方应提供防腐的完整说明,包括清洗和涂层工艺及所用涂料的特性说明。(11)设计温度高于 350℃时,与承压部件直接焊接的非承压件材质(包括裙座上端不小于 500mm 长)均应于承压件相匹配。(12)电热管不得拼接,不允许使用不锈钢焊接钢管用做电热管。(13) 开孔补强应符合 GB150.3 的规定。采用补强圈补强时,补强圈的厚度不宜大于壳体厚度。在液压试验时,补强圈上的螺孔不能被堵塞。6.主要参数要求 6.1 一般要求  本次采购的设备是电加热器,电加热器必须能承受冷态启动(停机超过 72 小时)20 次/年,温态启动(停机在 10 至 72 小时之间)50 次/年,乙方提供各种状态下每次启动的寿命消耗资料,其总的寿命消耗应不大于 70%。  设备工作模式为每天 2-10 小时间断满负荷运行,剩余时间低负荷运行。  投标方提供设备选型计算书、平衡计算及各工况分析数据。6.2性能要求(1)加热器工艺指标   最高加热温度:450℃。   熔盐分解温度:550℃(在流量突然降到20%工况下,不超温分解,流动无死区,出口温度不发生明显波动(设计温度±10℃),投标提供工况模拟分析计算书)。   最高工作压力:0.2MPa(熔盐)。   熔盐流量:5~25 m3/h。   加热功率:625kW。   额定电压:690V。   表面负荷:2.0-2.5W/cm2(投标方根据招标方提供条件核算最终值)。   设计寿命:20年。   加热元件:直径≥φ12.0mm,壁厚≥1.2mm,不允许接管。   压力损失:≤50KPa(投标提供计算书)。   总流量范围:最低流量20%。   疲劳工况:每天升温降温不少于2个循环(投标提供计算书)。   测温元件:每个电加热器配套4套k分度双支热电偶。   尺寸要求:熔盐电加热器壳体直径为DN450,熔盐电加热器总长度不超过5000mm,考虑熔盐流速降低时对热负荷系数的影响。
2026-01-21
熔盐电加热器
熔盐电加热器一、主要技术参数及要求 1、电源控制柜总功率为 160kW,控制2台加热器,每台功率:80kW。 2、电加热器 (1)额定总功率:160kW,单台功率:80kW (2)额定电压:380V/50HZ,三相四线,“△”型接法 (3)设计压力:1.2MPa (4)工作压力:1.0MPa (5)设计温度:430°C ,温度最高650℃,防护等级IP66,冷冻设计:非加热区长度≥100mm(温度≤60℃),引线端密封,高温硅胶,压缩石棉复合密封(6)工作温度:给熔盐槽 40m3/常温加热到 380°C 在静止状态下(需要 40 个小时) (7)被加热介质:熔盐 (8)电热管与法兰连接方式:氩弧焊焊接;水压试验:1.6MPa/2h 无渗漏。 (9)电热管内压测试,耐压测试达到 2000V/min (10)绝缘电阻:热态大于 50MΩ,冷态大于 500 MΩ。 (11)表面处理:接线腔法兰喷高温漆(12)电加热管材质:304 外径φ12,壁厚大于 1.5mm (13)每台电加热器配置测温点一处,装 K 型热电偶一支,接线端子在加热器接线盒内。 (14)电加热管散热区采用自然冷却(详见图纸)。 (15)设计寿命:10 年 (16)数量:熔盐炉电加热器3 台 、电源控制柜1台。(17)尺寸:见附图,电加热器上的折流板,卖方参照买方的数据进行详细设计。 二、电仪部分配置说明:1、通用说明:(1)加热器及其接线盒满足,IP65、WF2户内式,所有电源接线盒正常操作温度不高于60℃。热电偶安装在加热管最热处以准确测量加热管的温度,接线盒内部空间要便于接线、检查和维护,电缆口要防水、防尘措施。(2)电加热器接线盒耐热性材料必须能长期承受电加热器工作产生的热量,端子之间以及端子与接地的金属外壳或相邻导电部件之间,必须满足标准规定的最小电气间隙和爬电距离的要求。(3)接线端子及其接线柱固定结构必须具有足够的机械强度,能够承受导线连接、频繁拆卸以及使用过程中可能遇到的振动、冲击,而不会发生松动、变形、损坏等现象。(4)电气绝缘性:绝缘部件(端子台、衬垫、隔板)必须具有优异的电绝缘性和长期稳定性。(5)电加热器接线盒内需引出2米长耐高温电缆作为引线,引接至接线盒外,引线端应提前压接好接线鼻,到货后应能直接与现场电源端电缆连接,接线盒内做好防高温措施和防护措施。(6)单台电加热器引线应具备带载能力100kW,比原80kW等级高一等级。(7)电加热器应有安全可靠的静电接地措施,并配置内、外专用接地螺栓,并均有明显的接地标志。三、控制柜技术说明:(1)控制柜安装方式采用落地式安装方式,控制柜采用强制通风式结构(冷空气从柜门下方排风扇吸入,热空气从柜顶上方排风扇排出,带滤网,可拆卸)。(2)控制柜进线方式为下进下出。(3)柜体底座采用镀锌板,厚度≥2.0mm;柜体框架采用镀锌板,厚度≥2.0mm;隔板、内侧板采用镀锌板,厚度≥2.0mm;面板、外侧板采用优质冷轧钢板,厚度≥2.0mm,静电喷涂,同时不因由于成套设备的吊装、运输等情况产生变形。(4)控制柜铭牌及标牌文字应美观、醒目、清晰。(5)控制柜内主母排和分支母排采用铜母排,不允许使用电缆连接,铜母排规格符合规范要求,母排禁止裸露,需采用热缩管进行热缩。【江苏扬天电热设备有限公司】——信息化 数字化 智能化——義飞扬天——防爆电加热器专业制造商——为新时代中国制造加油助力——全国尊贵热线:400-777-5525 四、电气柜主要包含:(1)断路器(2)可控硅(3)控制回路断路器(4)交流接触器(5)按钮和指示灯(6)多功能表(电流、电压表等)(7)冷却风扇(8)支路熔断器(9)控制柜温度开关(10)配电柜下方预留250mm高,电缆敷设区。五、电气参数:(1)工作电压:380V±5%AC;(2)工作频率:50Hz ±2%;(3)环境温度:-20°C~+40°C;(4)控制电压:220V±5%AC;(5)负载配置:三相三角型;(6)控制模式:可控硅控制;(7)电缆进线方式:380V加热器控制柜为电缆下进线、下出线;(8)其它:TN-C-S系统,铜主母排(加热缩套管),独立的接地铜母排。八、控制系统说明:1、该加热器由可控硅控制,出口温度可以稳定在设定范围之内,控温精度为±3℃。2、控制柜内应设置以下保护功能。(1)总开关短路保护、过载保护;(2)漏电保护;(3)分支回路短路保护;(4)可控硅过热保护。3、控制系统将自保持住回路漏电继电器跳闸状态,待回路故障排除,跳闸回路自保持状态取消后,加热器才可重新启动该分支回路。4、控制柜应有如下指示:(1)电源指示(2)多功能表(3)加热器运行指示(4)加热器停止指示(5)可控硅超温报警指示(6)综合故障(可控硅故障、柜内温度、漏电等)(7)接地漏电注:所有故障需自保持并显示功能5、控制柜有如下控制功能:(1)加热器启动(2)加热器停止(3)就地/远程转换(4)跳闸复位(5)接地复位注:最终的控制方式以图纸已买方、卖方协商结果为准。
2026-01-19
高焓加热器组件
高焓加热器组件1. 用途及说明  电极、叠片段、过渡段、喷管喉道等组件是高焓电弧加热器设备的核心结构。采用3D打印工艺制造,可实现工质流道的合理优化,降低冗余体积,有效减轻电弧加热器内壁烧损状况,延长加热器使用寿命,提高加热器运行效率,并减少气体工质中的金属蒸气杂质,提高工作气体纯净度。2. 技术要求  1)乙方提供的所有设备和材料应是新的和优质的,不采用任何带有试验/原始型/示范性的设备,制造前应向甲方提供优质T2-Cu打印球型粉的具体参数;  2)高焓加热器组件所包括电极、叠片段、过渡段、喷管喉道等,其内外腔圆度0.08、同轴度0.05,左右端面平面度0.04、平行度0.06,表面光洁度Ra6.3,上述尺寸公差可接受二次加工后达到,但应留足加工余量,且加工至指定尺寸后,结构件整体仍满足致密度、强度及刚度要求;  3)高焓加热器组件的功能或工艺圆孔,要求非二次加工的圆度0.015,表面光洁度Ra6.3;  4)高焓加热器组件不能有熔蚀、砂眼、凹坑等结构性缺陷,不能堵塞功能或工艺圆孔;  5)高焓加热器组件致密度不低于99.8%,做水压试验,通8MPa高压水5分钟不能渗漏;  6)高焓加热器组件导热系数均与T2-Cu材料的偏差在1%以内;  7)乙方所供加热器全部组件应整体供货到现场,运输条件与运输保护措施需满足甲方与气象环境的要求,不得影响成件的结构、性能和使用功能;【江苏扬天电热设备有限公司】——信息化 数字化 智能化——義飞扬天——防爆电加热器专业制造商——为新时代中国制造加油助力——全国尊贵热线:400-777-5525 3. 验收标准和方法3.1总则  由乙方提供的设备,原材料按规定和标准进行必要的检验和试验,以证实设备、材料满足相应的规范和标准的要求,在设备制造工作完成时,进行试验以证明其性能符合本规范及相应标准的条款,并满足可靠、稳定运行的要求。试验所用的全部测试仪器应进行常规校正,结果由甲方检查。工厂试验报告由乙方完成,但试验的结果取得甲方的认可。设备部件都进行生产厂检验测试,以便确定制造工艺和材料是否有缺欠以及设计和装配是否满足合同要求。3.2参数要求  该高焓加热器组件的成型件在我方整体系统运行中,应满足以下条件,方可达到验收合格。  1)T2-Cu球型粉及成件结构尺寸满足本文件设备材料表要求,并出具相应检测及合格报告  2)高焓加热器组件不能有熔蚀、砂眼、凹坑等结构性缺陷,不能堵塞U型圆孔  3)高焓加热器组件若尺寸公差、光洁度等需要二次加工,应保证留足加工余量,且加工至指定尺寸后,结构件整体仍满足致密度、强度及刚度要求  4)高焓加热器组件致密度不低于99.8%,做水压试验,通8MPa高压水5分钟不能渗漏  5)高焓加热器组件的导热系数与T2-Cu材料的偏差在1%以内4.安装调试及技术服务  乙方负责将成套设备运送至项目现场,由甲方负责安装。乙方须有人员进行指导安装,并在安装完成后对甲方人员进行技术培训。  乙方需保证所供设备安全、正常投运。在甲方要求的情况下,乙方应派出合格的现场服务人员,在甲方安排的时间段内提供现场技术指导。  为使合同设备能正常安装、调试、运行、维护及检修,乙方有责任提供相应的技术培训。培训内容应与工程进度相一致。培训的时间、人数、地点等具体内容由甲乙双方商定。5.质保期和售后服务  设备质保期为系统试运行验收合格后1个月。在质保期内乙方提供的设备如出现质量问题(非错误操作所致),乙方应免费负责处理或更换,更换的部件不计入随机备品中,免费更换后的部件或设备质保期顺延1月。处理质量问题所发生的一切费用由乙方负责。  在质保期内和质保期外如遇到设备发生大的故障,乙方接到甲方的通知后,应在24小时内给出回复,协助甲方处理故障。  若供应商未及时响应质量担保期内的应承担的修理、更换和服务时,采购方有权自行处理,但费用由供应商承担,并在质保金中扣除。
2026-01-17
真空高温梯度加热台
真空高温梯度加热台一、概述  真空高温梯度加热台,使用两片氮化硼绝缘加热片,对指定长条型金属样品两端分别进行加热,并使样品两端达到不同温度,同时加热回路与样品间具有一定绝缘性。另外包含一个加热测试真空室。【江苏扬天电热设备有限公司】——信息化 数字化 智能化——義飞扬天——防爆电加热器专业制造商——为新时代中国制造加油助力——全国尊贵热线:400-777-5525 二、技术参数要求  可安装金属样品尺寸:14*6*1mm  加热台工作环境:真空环境,真空度好于1*10-4Pa  加热要求:中心6mm长度区域内形成温差,在该区域的两端分别安装热电偶进行测温,并能够分别进行温度控制:一端为700℃,另一端为400℃。  加热台外形:尺寸不大于100*100*100mm。金属样品正面无遮挡,不影响束流及红外测温。  加热台输入电流/电压要求:直流,电压不超过40V。加热台底座带真空水冷台,水冷台尺寸不超过160*120*30mm。  绝缘要求:在达到上述要求温度时,加热回路对样品的漏电流小于1微安。  氮化硼绝缘加热片:电阻小于10欧,600℃以下漏电流小于10nA,最高工作温度1500℃,最大功率不小于200W,附带2个50mm长M2的Ta电极螺杆,以及4个M2的Ta螺母。  加热测试真空室:真空室腔体尺寸不小于300mm*200mm*130mm,壁厚不小于8mm。上盖板采用O圈密封,两侧具有CF100法兰接口及CF80法兰接口。CF80法兰可与CF80真空插板阀连接,CF100法兰盖板焊接2个水冷管路接口。真空室侧壁上具有1个高真空BNC连接器及1个14芯真空密封航空插头。真空室漏率好于1*10-9Pa*m3/s。供货方依据以上技术参数进行设计及加工制作。
2026-01-14
加热炉
加热炉  加热炉为配合热成形压机实现薄壁钛合金喷管瓜瓣热成形。1.该设备为专用的钛合金热成形加热炉,主要用于厚度为 1mm~5mm 的薄壁钛合金喷管瓜瓣热成形。2.机床工作区由一个大的加热室组成,采用隔热板/结构钢热屏蔽板进行全封闭。加热室由四个隔热门(墙)与上、下工作台构成加热炉炉体。四个隔热门(墙)可向内/向外平移运动,确保平台运动和对工作区进行热隔离、密封。前后门可垂直上下提升/下降,以提供进出炉腔的通道,保证零件和模具的装卸全程无障碍。系统加压时,前后门、侧门向内自动可靠压紧,系统卸压时,前、后、侧门自动向外松开,并可手动操作。升起前后隔热门后, 可从压机的前面和后面来装卸模具和工件。3. 两侧保温墙和前后门都采用优良的内衬板,热屏蔽盖板外表面采用不锈钢盖板。炉门保温棉内有保护层,材质为耐高温板材,防止保温棉脱落。在加热工作状态下机床外表面任何能接触到的地方温度不得超过 50℃。加热平台为金属材料,在 1000℃的工作环境下可长期使用,能抗高温、抗热辐射,具有良好的热传导性及抗压强度。4. 设备主要参数和安装环境4.1 设备主要参数                序号                             项目                             单位                          参数                                   备注                  1                    加热空间(长 x 宽 x 高)           mm                  2000×1500×1200                  2                    最高加热温度                             ℃                             ≥1000                  3                    最大升温速率                             ℃/h                       150 空载                  4                    升温速率范围                             ℃/h                      0~150 可调                  5                    炉温均匀性                                 ℃                    ±5 650℃~850℃                  6                   加热区数量                                   个                            ≥12                  7                   加热仪表精度                               ℃                       ≤±1 1 级 K 偶                  8                   加热管使用寿命                             h                            ≥6000h                  9                   加热区温差                                   ℃                            ≤50                 10                  炉壁外表面温度                             ℃                    ≤50 机床外表面                 11                  模具及工件热电偶数量                    个                 ≥12 布置于压机两侧4.2 安装环境要求参数               序号                              项 目                            单位                           参 数                                 备 注                 1                                电 源                        380V 50Hz                    三相五线                 2                                功率                               KW                          约 400                 3                                温 度                              ℃                             0~40                 4                             相对湿度                           ≤95%5. 炉体技术要求5.1 加热平台为金属材料,在 1000℃的工作环境下可长期使用,能抗高温、抗热辐射,具有良好的热传导性及抗压强度。5.2 平台最大升温速度不小于 150℃/h,升温速度 0℃~150℃/h 编程可调,升温过程平台各区的温差≤50℃。5.3 加热系统由插入金属平台的多段式加热器(元件)组成,更换加热器方便、快捷。加热管在加热平台表面的下方布置贯穿平台,形成多个加热温区,每个平台模块可安装多根加热管。加热管可进行快速拆卸和更换(详细阐述更换方式,更换时间短优先考虑)。加热管寿命大于 6000 小时 ( 累计加热时间 ) ,或甲方正常使用 2 年以上。5.4 加热管连接到上、下工作台加热区外部的配线端子区域,采用封闭设计,并装有吹风装置,对配线端子处进行通风散热,并持续监视接线盒内的温度,以确保加热线路安全。5.5 每一个平台加热区都采用计算机控制和监控。如果温度达到设定的极限值,能驱使隔离开关切断,隔离此区域。每一个加热区都有单独的 K 型热电偶进行反馈控制,并预留备份,便于通过在端子上更换接线及时恢复设备正常控制。当加热管损坏时,监控系统发出警报,指示应当更换加热元件,并且能够识别具体某根加热管损坏的位置,便于更换加热管及热电偶。5.6 加热系统分区加热,上工作台、下工作台均布加热区,加热区均布且不少于12 个。每个加热区均有两根 1 级 K 型热电偶,分辨率≤±1℃。一根监控平台均温性,一根控制单区和隔壁区的加热温度,各区测温点均匀分布在上下工作台,通过调节器和功率调整单元控制,每个加热区域的温度设定值可调,双重温度监控来保证整个金属加热平台均温良好,要求在 650℃~850℃时为±5℃以内。提供包括预验收和终验收所需测温用热电偶。5.7 配备 12 个模具热电偶接口,半数位于上模,半数位于下模,接口位于压机两侧,通过上、下工作台的转接盒连接于控制柜。5.8 加热炉前后保温门上下滑动以便梭车进/出设备、装卸零件和模具。5.9 加热系统为分区加热,通过系统设定调整每个加热区的加热温度。每个加热区热电偶配有独立超温开关保护加热器和金属平台,当温度超过设定值时,控制系统会立即切断电源来保护金属平台和加热管并同时报警通知操作员。所有热电偶都是独立的,单独通过插头连接于控制柜。5.10 每个温区的控制热电偶和超温热电偶均采用冗余措施,确保工作中发现损坏热电偶时可及时更换到备用电偶上。5.11 加热管正常工作寿命≥6000h。5.12 热辐射标记应清楚地标识在机床上明显位置,并且有指明机床和加热运行状态的警示灯。【江苏扬天电热设备有限公司】——信息化 数字化 智能化——義飞扬天——防爆电加热器专业制造商——为新时代中国制造加油助力——全国尊贵热线:400-777-5525 6. 电气系统6.1 电气控制系统包括一个工业控制计算机/PLC 控制系统)+现场总线的方式,彩色中文界面。操作人员从控制系统的操作台上可控制所有的机床参数(加热平台每个区域的温度、液压、气压、上下工作台位置、时间等),数据以表格和图形曲线两种方式输出。如果采用工业控制计算机系统对设备进行控温,用于控温和模具温度采集的模块的仪表(包括 PID 调节器)准确度等级应不低于 0.2 级。PLC 控制所有机床功能,安全和互锁。人机交互装置应安装在方便操作和观察的位置及高度。6.2 控制系统采用大于 19 英寸的彩色触摸屏幕并配有键盘 (用来修改工艺参数 ),一个不间断电源系统 (UPS ) ,配备中文界面、简洁明了的编程界面,及实时显示所有的平台温度,液压,平台位置,保压时间。可储存≥1000 份成形工艺文件和≥1000 次生产过程记录(包括设备故障记录)。所有维修信息及零部件信息在硬盘中有备份,并可以随时查看。6.3 设备配备控制盒,便于操作员对设备进行操作。6.4 控制系统可编程,可实现存盘、读取、编辑等功能。系统访问储存的参数可通过操作者触摸屏输入新的加工过程参数,也可对已有的参数进行更改;需通过密码登陆。乙方提供整个系统软件备份。6.5 设备可通过预先设置的程序自动完成升温和降温整个循环过程,全过程进行中不需要操作人员介入对应每个成形过程,都可输出下列的参数跟随时间的变化:各平台区的温度、模具上的温度、闭合压力、平台位置、各成形 3 段的时间、工艺参数。系统还包括彩色生成报告。6..6 电气原理图和接线图和实际相对应,设计合理,标识和线号清楚准确,便于维修和维护。6.7 安装在电气系统中的隔离开关可以将整台机器与电网隔离开来,线缆从电气柜底部进入,工业控制计算机和 PLC 系统配置一个不间断电源系统(UPS)。6.8 系统可以提供不少于 12 根 K 型热电偶(压机两侧,每侧 6 根), 用来记录成型模具及工件温度,这些温度将显示并可以保存在计算机控制系统里。热电偶插座位于热屏蔽侧板外,临近工作区。6.9 加热控制逻辑,可以提供操作员选择合适的加热速率,加热速率编程可调:0℃~150℃/小时。6.10 系统具有故障自诊断报警和自动保护设备功能。在异常情况出现后,可紧急停止设备运行,并显示出故障信息和故障部位。报警模式有呜铃及闪灯,警告操作员超出限值的情况,控制台上有重新复位的按钮取消报警。6.11 设备可在自动和手动模式下操作。6.12 提供控制软件包,列出功能清单。6.13 操作台配备空调降温系统。6.14 系统中具备工作小时记录功能。6.15 具备 USB 驱动器和 DNC、网络连接功能。设备硬件接口应该具备可供工控网系统使用的 RJ45 接口,满足 TCP/IP 网络协议。设备支持提供可供工控网系统调用的 OPC 等通用接口,并开放接口,提供接口通讯协议、调用地址、字段说明和接口函数调用的说明文档,此外,工厂在进行设备联网和数据下发、采集工作时,设备实施方需无偿到现场配合。6.16 主电源部分包括主电源总开关,加热管电压降压器, 配电盘和带有过载(过电流)保护的电机控制硬件。 系统输入电源为三相 380 伏, 50 赫兹。备有输入功率滤波设置,用于监控输入电网电压的波动状态,如有电源电压超限,即时反馈给设备控制系统。6.17 控制电源部分包括带以太网口的(西门子、A/B 公司或相当品牌)可编程控制器, 电源供应, 放大器板卡和加热管的可控硅固态继电器。梯形图逻辑控制程序会随系统提供给甲方。6.18 电气控制柜有空调降温系统,并具有防尘密封功能,以保证设备的长时间运行。6.19 电气硬件部分增加输入/输出 IO 点各 5 个,用于同超塑功能模块的信息交换。6.20 软件部分在界面提供超塑功能选项,并提供后期外接超塑功能相关接口参数(包含超塑功能启动、停止、报警等功能)。6.21 加热炉外侧预留气路安装空间,加热平台材质选用含镍金属材质以满足超塑功能的使用温度,设备最高加热温度≥1000℃。
2026-01-12
烘箱
烘箱  一、主要技术参数       序号     项    目                               内           容                                                                备      注         1                    型    号                         YT-HM-3D型热风循环烘箱              2                工作室尺寸         1900×1700×1700 mm(宽×深×高)                                   双开门         3                  外形尺寸                          2500×2000×2000 mm(宽×深×高)                          高度仅指箱体高度         4                  设备总重                                      2000 Kg          5                  工作电源                  ~380V±10% 50Hz 三相五线制(TN-C-S)          6                设备总功率   120kW左右 工作电流为:182A 左右                                 7              使用温度范围                     室温~350℃          8                 升温时间                   空载时,升温到350℃速度在 30 分钟以内          9                温度均匀度                     ±1℃(恒温时)                                                           在最高温度情况下空炉测试        10                 加热功率                                      60kW×2         11                 鼓风功率               设置2台鼓风机,每台功率1.5 kW,风叶为不锈钢离心风叶                   单体2只        12                 进气配置                                   各设2个进气阀         13                 排气方式              设置电动排气,功率0.25KW,二体共用。排气有自动和手动。                                                              自动时有间歇式排气,时间可以调节。         14                温度传感器                     型号:PT100                                                                       4支    未提及部分参照GB5170-85及JB/T5520-91标准执行。  二、箱体结构及配置  1.箱体结构    结构形式:整体式结构;          开门结构:手动正面双开门;     箱体材料:箱体为国标 304 不锈钢制作,内胆厚度不低于 3mm,外层碳钢厚度不低于 2mm, 内外部必须抛光处理,平整,无刮碰,    车子及材料:车子用40*40不锈钢方管及不锈钢角钢或不锈钢折边成型。每个车子为 12 层盘子,每层放置 1 个盘子,共 2 个车子,合计 24 个盘子。车子 的轮子为耐高温、无脱落物材质,车子牢固不易变形,每个车子能承受500kg 的重量;      盘子:盘子材质为 SUS304L材质,厚度为 1mm;    保温材料:箱体保温采用优质高密度保温材料;箱体保温层厚度≥100mm;大门保温层厚度≥128mm;    密封材料:硅橡胶 ;     设备颜色:不锈钢本色。  2.热风循环部分    加热室位置:顶加热;    电加热器:星形接法  ~220V 50Hz  表面低负荷电加热管;    循环方式:水平送风。     【江苏扬天电热设备有限公司】——信息化 数字化 智能化——義飞扬天——防爆电加热器专业制造商——为新时代中国制造加油助力——全国尊贵热线:400-777-5525  3.电气控制部分    控制柜:壁挂式式控制柜,放置于烘箱右侧;    主控器:PLC、触摸屏与温度控制器485通讯,PT100温度反馈与温度控制器配合,达到温度精密控制,控制界面人性化、科学化,控制数据网络共享等,有超温时声光报警;    报警表:报警表,传感器用PT100,有超温时声光报警;    触摸屏:温度根据工艺要求设定。报警信息更直观更详细;    加热调节:固态继电器调节加热功率,有效节能。  4.安全保护及控制  (1)漏电保护断路器:防止加热回路漏电、过载及短路保护;  (2) 报警灯:对设备故障实现声光电报警;  (3) 熔断器:防止控制回路短路;  (4)温控仪表:控制烘箱内的温度;  (5)固态继电器:无触点调节温升速率;  (6) 信号灯:显示内部工作状态;  (7)旋钮:指令操作。三、 质量及售后服务承诺  3.1、供方提供给需方的烘箱是技术成熟的、全新的产品,满足国家标准和本技术协议签定的各项技术要求。供方确保出厂产品经过严格检测,性能稳定可靠,资料齐全,每一台产品均为完美品质的体现,为需方创造更好的价值。  3.2、除本协议已经规定的原材料、元器件选型外,其他所需外购件供方选择品质优良、信誉良好、符合国家或相关技术标准的生产厂家,对所有外购件按ISO9001质量管理体系规定进行严格的检测。  3.3、需方应按供方提供的《产品使用说明书》及《产品使用维护注意事项》中注明的操作规程使用设备。如果需方未按操作规程使用或未采取有效的安全接地措施,引起所烘工件损坏及造成其他事故,供方不承担赔偿责任。  3.4、供方为需方提供售前、售中、售后全方位的一流服务。产品在安装或运行过程中出现的任何问题,接到用户信息后,保证在一个小时内给予答复,如需派人到现场解决,保证在24小时内人员到场处理相关问题,使产品正常运行。  3.5、供方承诺产品质量自产品出厂之日起壹年内免费维修,终身服务。  3.6、如遇设备故障请及时与供方联系,供方售后服务电话。
2026-01-10
计量加热器撬
计量加热器撬1. 技术参数   计量加热器撬CEPD-X-1301:  受限尺寸、重量3000×2500×2800mm  6吨   热功率:90kW    设计压力/操作压力(kPaG):  管程1150,壳程1150/管程750,壳程400   设计温度/操作温度 :  管程250,壳程250/管程20.2~55,壳程160~100,壳体、封头材料要求等:Q345R   管程材料要求:316L   法兰、锻件 材料要求等:16Mn   内件材料:S31603   支架、鞍座、吊耳材料要求等:Q235B2.性能要求:  1)容器按GB150-2011 《钢制压力容器》规范及TSG 21-2016固定式压力容器安全技术监察规程进行设计、制造、检验;  2)容器,罐体、封头、接管材料需要有材质证书;  3)容器人孔盖形式(如快开式法兰式);  4)图纸需向甲方报审;  5)甲方提供撬外电缆外径尺寸信息给供货方以备填料函供货;  6)常压容器的加强板,补强板需设泄气孔,进行严密性试验;  7)壳体的焊接制作要求要按压力容器规格书要求进行;  8)业主及代表放行同意的每个行动不解除厂家负有执行规范、标准条款的责任;  9)乙方应在常压容器盛水试验前焊接好保温支架、撬内管支架等部件;  10)乙方应在常压容器盛水试验后出厂前完成伴热孔的开设;  11)乙方需提供保温、伴热计算书及材料料单;  12)对容器及接管法兰焊缝的所做的RT,实际中如不能进行RT,在用UT代替前,应报经业主同意;  13)有热处理的,先热处理后进行射线探伤;  14)容器内表面、外表面及附属件按照涂装规格书SPC-GEN-CC-1001要求执行。【江苏扬天电热设备有限公司】——信息化 数字化 智能化——義飞扬天——防爆电加热器专业制造商——为新时代中国制造加油助力——全国尊贵热线:400-777-5525 3.功能要求:  1)供货范围为PID图框线范围(包括底撬及撬内阀门电气、仪表及连接管线);  2)容器外部附件配备鞍式支座,裙座,衬垫,人孔加强圈,管夹,吊耳,支架等;  3)容器内部附件有捕雾器、涡流破碎器、过滤网等;  4)容器设计配备鞍座/支座/梯子、吊耳,吊耳带有检验证书;其强度要满足要求,必要时厂家须提供容器及撬的吊装方案;  5)所有紧固螺栓/螺母材质及防腐为:Bolts/nuts SA193 B7 SA194 2H 42CrMoA/35CrMoA (GALV. +Xylan Fluoropolymer Coated);  6)撬内电气设备及接线箱、按钮盒等如在防爆区域,需符合EX Ⅱ BT4要求;  7)乙方确定撬外电缆选型后,甲方提供外径尺寸信息给供货方以备填料函供货;  8)容器的加强板,补强板需设置泄气孔 ;  9)提供所有常压容器的配对法兰及垫片、紧固螺栓、螺母;  10)提供调试备件、备品备件;其中调试备件:螺栓按照撬块螺栓总数20%提供,垫片按照撬块垫片总数100%,备品备件:螺栓按照撬块螺栓总数20%提供,垫片按照撬块垫片总数100%;提供其它必须的专用工具、操作维修工具,满足操作维修要求;  11)设备如单重超10吨,需要分装运输,在海上组装,需要供货方在海上组装中安排人员进行技术服务。4.关键技术要求  1)供应商应保证所提供的管壳式换热器的热功率值符合数据表的要求。  2)管壳式换热器应为制造商的标准或成熟产品;需提供2项已完成的加热器撬等采购类似项目业绩合同业绩。  3)设备应为海洋或海上平台类型,供应商应自费安排检查,并从COOOSO授权的认证机构(ABS、DNV.GL、BV和CCS)获得成撬设备的最终证书。5.检测和试验  明确产品检测或试验要求,可明确相应的检测标准和试验方法,优先考虑采用公认的或已颁布的标准检验方法:  a)生产过程检验按照批复的ITP计划,需要甲方在制作节点现场见证。  b)无损检验按NB/T47013《承压设备无损检测》规范进行。  c)要求有产品合格证。  d)要求有有第三方检验,有整撬设备船检证。6.质量保证  1)设备质保期12个月(设备调试报告签署之日起),在质保期内所有产生质量问题的设备或相关附件厂家应免费进行更换或到现场进行维修。  2)到货验收不合格,无条件退货。
2026-01-07
134 条记录 1/12 页 下一页  1  2   3   4   5  下5页 最后一页
电话
18936231333
二维码

扫码关注